U - Profil 32 mm
25,00 €*
Inhalt:
2,5 Meter
(10,00 €* / 1 Meter)
Sofort verfügbar
LagerwareAbholung nach 48 Stunden möglich
Lieferzeit innerhalb NRW: 10-20 Werktage
Lieferzeit restliche BRD: 10-25 Werktage
Lieferzeit Österreich: 20-40 Werktage
Produktnummer:
H-15815.2.28
Hersteller: Kunststoffhandel Gosmann GmbH
Gewicht: 0,69 kg
Fragen zum Produkt?
Hersteller: Kunststoffhandel Gosmann GmbH
Gewicht: 0,69 kg
Fragen zum Produkt?
Produktinformationen "U - Profil 32 mm"
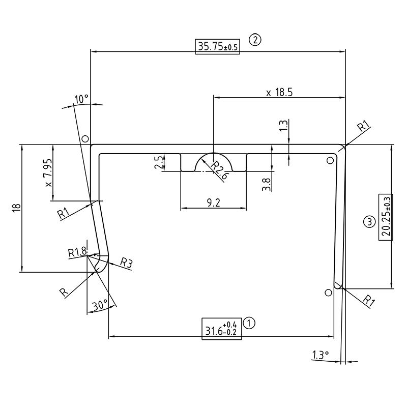
Die hier angebotenen U-Profile ohne Tropfkante aus stranggepreßtem Aluminium werden verwendet, um die der Hauswand zugewandte Seite der Stegplatten zu verschließen. Nachdem die Stegplatten mit einem Anti Dust Tape verschlossen wurden, wird das 32 mm U-Profil ohne Abtropfkante darüber gesteckt, um ein Ablösen des Tapes zu verhindern. So können weder Schmutz noch Ungeziefer in die Stegplatten eindringen und Ihr Terrassendach bleibt dauerhaft optisch ansprechend. Durch das U-Profil wird die Stabilität der Stegplatte erhöht. Selbstverständlich bieten wir Ihnen dieses Profil als Alternative zur preßblanken Ausführung auch in weiß, braun, silber oder anthrazit an. Durch die farbigen Profile können Sie Ihr Projekt optisch noch einmal aufwerten. Bitte achten Sie bei der Verlegung des Profils darauf, dass die kleine Wulst am Profil nach unten zeigen muss. Durch die Wulst wird verhindert, dass Wasser durch die Kapillarwirkung unter Ihre neue Überdachung laufen kann. Das U-Profil ist in der Zeichnung mit der Nr. 8 gekennzeichnet.

Eigenschaften von "U - Profil 32 mm"
| Wandstärke: | 1,2 mm |
|---|---|
| Gesamtbreite: | 20 mm |
| Gesamthöhe: | 36 mm |
| Profilfarbe: | Aluminium blank, anthrazit pulverbeschichtet RAL 7016, braun pulverbeschichtet RAL 8077, silber pulverbeschichtet RAL 9006, weiß pulverbeschichtet RAL 9016 |
| Aufnahme: | für 32 mm Platten |
| Gewicht: | 274 g/m |
Angaben zum Hersteller (gemäß GPSR-Produktsicherheitsverordnung)
Kunststoffhandel Gosmann GmbH
Kupferstr. 6
44577 Castrop-Rauxel, Deutschland